Microprocessor Design/Memory

Memory is a fundamental aspect of microcontroller design, and a good understanding of memory is necessary to discuss a processor system.

Memory Hierarchy

Memory suffers from the dichotomy that it can be either large or it can be fast. As memory becomes more large, it becomes less fast, and vice-versa. Because of this trade-off, computer systems typically have a hierarchy of memory types, where faster (and smaller) memories are closer to the processor, and slower (but larger) memories are further from the processor.

Hard Disk Drives

Hard Disk Drives (HDD) and solid-state drives (SSD) are occasionally known as secondary memory or nonvolatile memory. HDD typically stores data magnetically (although some newer models use flash), and data is maintained even when the computer is turned off or removed from power. HDD is several orders of magnitude slower than all other memory devices, and a computer system will be more efficient when the number of interactions with the HDD are minimized.

Because most HDDs are mechanical and have moving parts, they tend to wear out and fail after time.



RAM

Random Access Memory (RAM), also known as main memory, is a volatile storage that holds data for the processor. Unlike HDD storage, RAM typically only has a capacity of a few gigabytes. There are two primary forms of RAM, and many variants on these.

SRAM

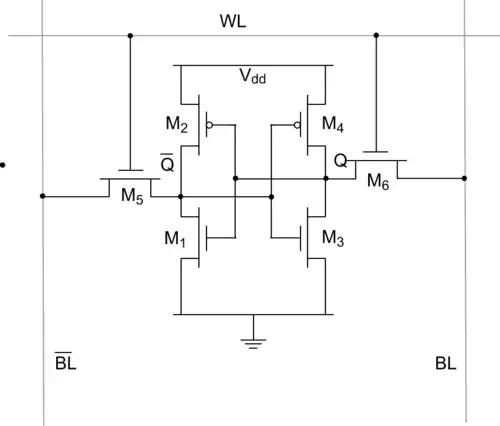
Static RAM (SRAM) is a type of memory storage that uses 6 transistors to store data. These transistors store data so long as power is supplied to the RAM and do not need to be refreshed.

A single bit of storage in SRAM, showing 6 transistors.

SRAM is typically used in processor caches because of its faster speed, but not in main memory because it takes up more space.

DRAM

Dynamic RAM (DRAM) is a type of RAM that contains a single transistor and a capacitor. DRAM is smaller than SRAM, and therefore can store more data in a smaller area. Because of the charge and discharge times of the capacitor, however, DRAM tends to be slower than SRAM. Many modern types of Main Memory are based on DRAM design because of the high memory densities. Because DRAM is simpler than SRAM, it is typically cheaper to produce.

A popular type of RAM, SDRAM, is a variant of DRAM and is not related to SRAM.

As digital circuits continue to grow smaller and faster as per Moore's Law, the speed of DRAM is not increasing as rapidly. This means that as time goes on, the speed difference between the processor and the RAM units (so long as the RAM is based on DRAM or variants) will continue to increase, and communications between the two units becomes more inefficient.

Other RAM

Cache

Cache is memory that is smaller and faster than main memory and resides closer to the processor. RAM runs on the system bus clock, but Cache typically runs on the processor speed which can be 10 times faster or more. Cache is frequently divided into multiple levels: L1, L2, and L3, with L1 being the smallest and fastest, and L3 being the largest and slowest.

Registers

Registers are the smallest and fastest memory storage elements. A modern processor may have anywhere from 4 to 256 registers. We will discuss registers in much more detail in a later chapter, Microprocessor Design/Register File.