Electronics Fundamentals/Electronic Rectifier
<
Electronics Fundamentals
Rectifier
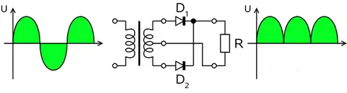
Rectifier is a Device that converts AC Electricity to DC Electricity
Configurations
Transformer with centered tap
Transformer without centered tap