Electronics/Transmitter design
Radio transmitter design is a complex topic which can be broken down into a series of smaller topics.
Frequency synthesis and frequency multiplication
Synthesis
Fixed frequency systems
For a fixed frequency transmitter one commonly used method is to use a resonant quartz crystal in a Crystal oscillator to fix the frequency. For transmitter where the frequency has to be able to be varied then several options can be used.
Variable frequency systems
- An array of crystals—This approach uses several oscillators, each tuned to a different fixed frequency.
- Variable frequency oscillator (VFO)
- Phase locked loop (PLL) frequency synthesizer
Multiplication
It is often the case for VHF transmitters that it is not possible to operate the crystal controlled or variable frequency oscillator at the frequency of the final output. Also, for reasons including frequency stability, it is better to multiply the frequency of the free running oscillator up to the final frequency which is required.
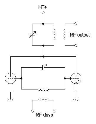
If the output of an amplifier stage is tuned to a multiple of the frequency which the stage is driven with, the stage is optimised to give a larger harmonic output than that found in a linear amplifier. In a push-push stage, the output will only contain the even harmonics. This is because the currents which would generate the fundamental and the odd harmonics in this circuit (if one valve was removed) are canceled out by the second valve. Note that in these diagrams that the bias supplies and the neutralization have been omitted for clarity. In a real system it is likely that tetrodes would be used as plate to grid capacitance in a tetrode is lower so making the stage less likely to be unstable.

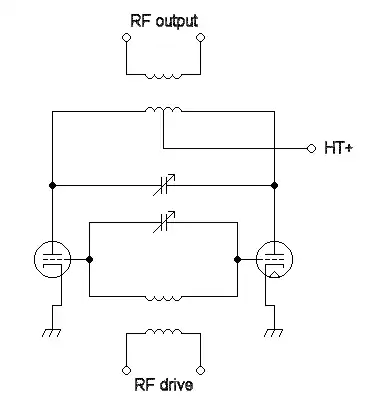
Here in the push-pull stage the output will only contain the odd harmonics because of the canceling effect.

Frequency mixing and Modulation
The task of many transmitters is to transmit some form of information using a carrier wave. This process is called modulation. There are many types of RF modulation, and the choice of modulation often depends on the type of information being transmitted.
For instance, audio information is continuous in time and value, and scaling by a constant (i.e. signal inversion, volume control) is acceptable, so AM and FM transmission work. But for digital communications, the signal is discrete in time and discrete in value, and inversion of the signal is unacceptable, so AM and FM are not (on their own) satisfactory. For digital communications, a modulation such as frequency shift keying (FSK) or on-off keying (OOK) over FM would be better.
AM modes
In many cases the carrier wave is mixed with another electrical signal to impose upon it the information. This occurs in Amplitude modulation (AM).
Low level and High level
Low level
Here a small audio stage is used to modulate a low power stage, the output of this stage is then amplified using a linear RF amplifier.
- Advantages
The advantage of using a linear RF amplifier is that the smaller early stages can be modulated, which only requires a small audio amplifier to drive the modulator.
- Disadvantages
The great disadvantage of this system is that the amplifier chain is less efficient, because it has to be linear to preserve the modulation. Hence class C amplifiers cannot be employed.
An approach which marries the advantages of low-level modulation with the efficiency of a Class C power amplifier chain is to arrange a feedback system to compensate for the substantial distortion of the AM envelope. A simple detector at the transmitter output (which can be little more than a loosely coupled diode) recovers the audio signal, and this is used as negative feedback to the audio modulator stage. The overall chain then acts as a linear amplifier as far as the actual modulation is concerned, though the RF amplifier itself still retains the Class C efficiency. This approach is widely used in practical medium power transmitters, such as AM radiotelephones.
High level
- Advantages
One advantage of using class C amplifiers in a broadcast AM transmitter is that only the final stage needs to be modulated, and that all the earlier stages can be driven at a constant level. These class C stages will be able to generate the drive for the final stage for a smaller DC power input. However, in many designs in order to obtain better quality AM the penultimate RF stages will need to be subject to modulation as well as the final stage.
- Disadvantages
A large audio amplifier will be needed for the modulation stage, at least equal to the power of the transmitter output itself. Traditionally the modulation is applied using an audio transformer, and this can be bulky. Direct coupling from the audio amplifier is also possible (known as a cascode arrangement), though this usually requires quite a high DC supply voltage (say 30V or more), which is not suitable for mobile units.
Types of AM modulators
A wide range of different circuits have been used for AM. While it is perfectly possible to create good designs using solid-state electronics, valved (tube) circuits are shown here. In general, valves are able to easily yield RF powers far in excess of what can be achieved using solid state. Most high-power broadcast stations still use valves.
Plate AM modulators
In plate modulation systems the voltage delivered to the stage is changed. As the power output available is a function of the supply voltage, the output power is modulated. This can be done using a transformer to alter the anode (plate) voltage. The advantage of the transformer method is that the audio power can be supplied to the RF stage and converted into RF power.

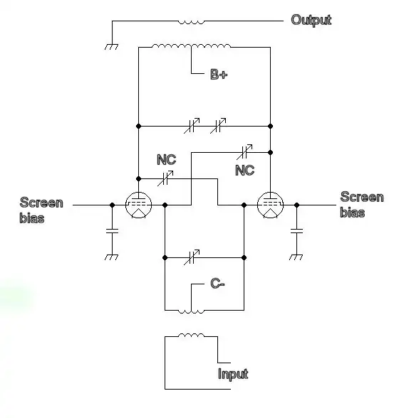
Anode modulation using a transformer. The tetrode is supplied with an anode supply (and screen grid supply) which is modulated via the transformer. The resistor R1 sets the grid bias, both the input and outputs are tuned LC circuits which are tapped into by inductive coupling.

An example of a series modulated amplitude modulation stage. The tetrode is supplied with an anode supply (and screen grid supply) which is modulated by the modulator valve. The resistor VR1 sets the grid bias for the modulator valve, both the RF input (tuned grid) and outputs are tuned LC circuits which are tapped into by inductive coupling.
When the valve at the top conducts more than the potential difference between the anode and cathode of the lower valve (RF valve) will increase. The two valves can be thought of as two resistors in a potentiometer.
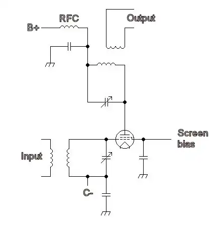
Screen AM modulators

Under steady state conditions (no audio driven) the stage will be a simple RF amplifier where the grid bias is set by the cathode current. When the stage is modulated the screen potential changes and so alters the gain of the stage.
Other modes which are related to AM
Several derivatives of AM are in common use. These are
Single-sideband modulation
(SSB, or SSB-AM single-sideband full carrier modulation), very similar to single-sideband suppressed carrier modulation (SSB-SC)
Filter method
Using a balanced mixer a double side band signal is generated, this is then passed through a very narrow bandpass filter to leave only one side-band. By convention it is normal to use the upper sideband (USB) in communication systems, except for HAM radio when the carrier frequency is below 10 MHz here the lower side band (LSB) is normally used.
Phasing method
The phasing method is another way to generate of single sideband signals. One of the weaknesses of this method is the need for a network which imposes a constant 90o phase shift on audio signals throughout the entire audio spectrum. By reducing the audio bandwidth the task of designing the phaseshift network can be made more easy.
Imagine that the audio is a single sine wave E = Eo sine (ωt)
The audio signal is passed through the phase shift network to give two identical signals which differ by 90o.
So as the audio input is a single sine wave the outputs will be
E = Eo sine (ωt)
and
E = Eo cosine (ωt)
These audio outputs are mixed in non linear mixers with a carrier, the carrier drive for one of these mixers is shifted by 90o. The output of these mixers is combined in a linear circuit to give the SSB signal.
Vestigial-sideband modulation
w:Vestigial-sideband modulation (VSB, or VSB-AM) is a type of modulation system commonly used in TV systems, it is normal AM which has been passed through a filter which removes one of the sidebands.
Morse
Strictly speaking the commonly used 'AM' is double-sideband full carrier. Morse is often sent using on-off keying of an unmodulated carrier(Continuous wave), this can be thought of as an AM mode.
FM modes
Direct FM
Direct FM (true Frequency modulation) is where the frequency of an oscillator is altered to impose the modulation upon the carrier wave. This can be done by using a voltage controlled capacitor (Varicap diode) in a crystal controlled oscillator. The frequency of the oscillator is then multiplied up using a frequency multiplier stage, or is translated upwards using a mixing stage to the output frequency of the transmitter.
Indirect FM
Indirect FM employs varicap diode to impose a phase shift (which is voltage controlled) in a tuned circuit which is fed with a plain carrier. This is termed Phase modulation, the modulated signal from a phase modulated stage can be understood with a FM receiver but for good audio quality the audio applied to the phase modulation stage.

This is a solid state circuit, on the right a RF drive is applied to the base of the transistor, the tank circuit (LC) connected to the collector via a capacitor contains a pair of varicap diodes. As the voltage applied to the varicaps is changed the phase shift of the output will change.
RF power amplifiers
Valves
For high power systems it is normal to use valves, please see Valved RF amplifiers for details of how valved RF power stages work.
Advantages of valves
- Good for high power systems
- Electrically very robust, they can tolerate overloads for minutes which would destroy bipolar transistor systems in milliseconds
Disadvantages of valves
- Heater supplies are required for the cathodes
- High voltages (Threat of death) are required for the anodes
- Valves have a shorter working life than solid state parts because the heaters tend to fail
Solid state
For low and medium power it is often the case that solid state power stages are used. Sadly for high power systems these cost more per Watt of output power than a valved system.
Linking the transmitter to the aerial
The vast majority of modern equipment is designed to operate with a resistive load driven via coaxial cable of one particular impedance, often 50 ohms. To connect the aerial to this coaxial cable transmission line a matching network and/or a balun may be required. Commonly a SWR meter and/or an Antenna analyzer are used to check the goodness of the match between the aerial system and the transmission line (feeder).
See w:Antenna tuner and w:balun for details of matching networks and baluns respectively.
EMC matters
While this section was written from the point of view of a radio ham with relation to Television interference (radio transmitter interference) it applies to the construction and use of all radio transmitters, and other electronic devices which generate high RF powers with no intention of radiating these. For instance a dielectric heater might contain a 2000 Watt 27 MHz source within it, if the machine operates as intended then none of this RF power will leak out. However, if the device is subject to a fault then when it operates RF will leak out and it will be now a transmitter. Also computers are RF devices, if the cases is poorly made then the computer will radiate at VHF. For example, if you attempt to tune into a weak FM radio station (88 to 108 MHz, band II) at your desk you may lose reception when you switch on your PC. Equipment which is not intended to generate RF, but does so through for example sparking at switch contacts is not considered here, for a consideration of such matters please see Television interference (electrical interference) for further details.
RF leakage (defective RF shielding)
All equipment using RF electronics should be inside a screened metal box, all connections in or out of the metal box should be filtered to avoid the ingress or egress of radio signals. A common and effective method of doing so for wires carrying DC supplies, 50 Hz AC connections, audio and control signals is to use a feedthrough capacitor. This is a capacitor which is mounted in a hole in the shield, one terminal of the capacitor is its metal body which touches the shielding of the box while the other two terminal of the capacitor are the on either side of the shield. The feed through capacitor can be thought of as a metal rod which has a dielectric sheath which in turn has a metal coating.
In addition to the feed through capacitor, either a resistor or RF choke can be used to increase the filtering on the lead. In transmitters it is vital to prevent RF from entering the transmitter through any lead such as a power, microphone or control connection. If RF does enter a transmitter in this way then an instability known as motorboating can occur. Motorboating is an example of a self-inflicted EMC problem.
If a transmitter is suspected of being responsible for a television interference problem then it should be run into a dummy load, this is a resistor in a screened box or can which will allow the transmitter to generate radio signals without sending them to the antenna. If the transmitter does not cause interference during this test then it is safe to assume that a signal has to be radiated from the antenna antenna to cause a problem. If the transmitter does cause interference during this test then a path exists by which RF power is leaking out of the equipment, this can be due to bad shielding. This is a rare but insidious problem and it is vital that it is tested for.
- You are most likely to see this leakage on homemade equipment or equipment which has been modified. It is also possible to observe RF leaking out of microwave cookers.
Spurious emissions
- Early in the development of radio technology it was recognized that the signals emitted by transmitters had to be 'pure'. For instance Spark-gap transmitters were quickly outlawed as they give an output which is so wide in terms of frequency. In modern equipment there are three main types of spurious emissions.
- The term Spurious emissions refers to any signal which comes out of a transmitter other than the wanted signal. The spurious emissions include harmonics, out of band mixer products which are not fully suppressed and leakage from the local oscillator and other systems within the transmitter.
Harmonics
These are multiples of the operation frequency of the transmitter, they can be generated in a stage of the transmitter even if it is driven with a perfect sine wave because no real life amplifier is perfectly linear. It is best if these harmonics are designed out at an early stage. For instance a push-pull amplifier consisting of two tetrode valves attached to an anode tank resonant LC circuit which has a coil which is connected to the high voltage DC supply at the centre (Which is also RF ground) will only give a signal for the fundamental and the odd harmonics.

Here is a slightly worse design which only has one tetrode, while perfectly good designs have been made using this circuit it does have more potential shortcomings than the above circuit.

In addition to the good design of the amplifier stages, the transmitter's output should be filtered with a low pass filter to reduce the level of the harmonics.
The harmonics can be tested for using a RF spectrum analyser (expensive) or with an absorption wavemeter (cheap). If a harmonic is found which is at the same frequency as the frequency of the signal wanted at the receiver then this spurious emission can prevent the wanted signal from be received.
Local oscillators and unwanted mixing products
Imagine a transmitter, which has an intermediate frequency (IF) of 144 MHz, which is mixed with 94 MHz to create a signal at 50 MHz, which is then amplified and transmitted. If the local oscillator signal was to enter the power amplifier and not be adequately suppressed then it could be radiated. It would then have the potential to interfere with radio signals at 94 MHz in the FM audio (band II) broadcast band. Also the unwanted mixing product at 238 MHz could in a poorly designed system be radiated. Normally with good choice of the intermediate and local oscillator frequencies this type of trouble can be avoided, but one potentially bad situation is in the construction of a 144 to 70 MHz converted, here the local oscillator is at 74 MHz which is very close to the wanted output. Good well made units have been made which use this conversion but their design and construction has been challenging. This problem can be thought of as being related to the Image response problem which exists in receivers.
One method of reducing the potential for this transmitter defect is the use of balance and double balanced mixers. For example, here is a simple but poor mixer
If the equation is assumed to be
E = E1 . E2
and is driven by two simple sine waves, f1 and f2 then the output will be a mixture of four frequencies
f1
f1+f2
f1-f2
f2
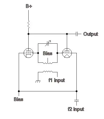
If the simple mixer is replaced with a balanced mixer then the number of possible products is reduced. Imagine that two mixers which have the equation {I = E1 . E2} are wired up so that the current outputs are wired to the two ends of a coil (the centre of this coil is wired to ground) then the total current flowing through the coil is the difference between the output of the two mixer stages. If the f1 drive for one of the mixers is phase shifted by 180o then the overall system will be a balanced mixer.

E = K . Ef2 . ΔEf1
So the output will now have only three frequencies
f1+f2
f1-f2
f2
Now as the frequency mixer has fewer outputs the task of making sure that the final output is clean will be simpler.
Instability and parasitic oscillations
If a stage in a transmitter is unstable and is able to oscillate then it can start to generate RF at either a frequency close to the operating frequency or at a very different frequency. One good sign that it is occurring is if a RF stage has a power output even without being driven by an exciting stage. Another sign is if the output power suddenly increases wildly when the input power is increased slightly, it is noteworthy that in a class C stage that this behaviour can be seen under normal conditions. The best defence against this transmitter defect is a good design, also it is important to pay good attention to the neutralization of the valves or transistors.
Reference
Radiocommunication handbook (RSGB), ISBN 0900612584