Amateur Radio Manual/Direct and Alternating Current
Electric current is necessary for amateur radio equipment to work. However, different components of a radio setup use different "types" of current. Although the electrons are the same, the rate at which they flow is different. Electric current can be divided into two main categories: direct current and alternating current.
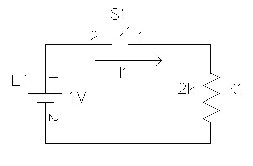
Direct Current
Direct current can be defined as current that flows in only one direction. Although imprecise, this definition will suffice for now. This current is generated, for example, from a battery. Consider a resistor connected across a battery. The current only flows from the positive terminal, through the resistor, and into the negative terminal of the battery. Furthermore, the current does not change as a function of time.


In this circuit, a current of This current is constant and travels in the direction of the arrow. This battery provides direct current.
Alternating Current
Alternating current can be defined as current which flows both forwards and backwards. This is the current that is found in the outlets in a house.


In this circuit, the current again travels in the direction of the arrow. However, every half second, the current switches sign. This can be interpreted as the current reversing direction. This is an example of alternating current.
Changing Current
As mentioned above, it is not entirely accurate to define direct current as flowing in only one direction. If the current changes with time, it is still said to be alternating current, even if it travels in only one direction.


In this circuit, the switch is turned on (closed) and off (open) every half second. Once again, the current travels in the direction of the arrow. The current does not go negative; it thus travels in one direction only. However, it is not constant and is thus considered to be alternating current.